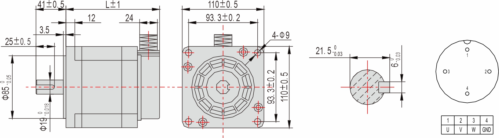
| 外形圖 |

※ 此外形圖為單轉軸產品;
※ 我們可以根據您的需求制定步進馬達的電氣參數,也可以增配偏心齒輪減速箱或行星減速箱、斷電煞車、編碼器等;
※ 步進馬達安裝時務必用馬達前端蓋安裝止口定位,並注意公差配合,嚴格保證步進馬達輸出軸與負載的同心度。
| 110mm 系列 |
型號 | 外形尺寸 | 重量(kg) | |||
L(mm) | |||||
YSD31112-XXX | 124 | 5 | |||
YSD31115-XXX | 148 | 6.6 | |||
YSD31118-XXX | 182 | 9 | |||
YSD31121-XXX | 215 | 11.1 |
| 技術參數 |
步進馬達 型號 | 驅動器 型號 | 電流 /相 | 電阻 /相 | 電感 /相 | 靜力矩 | 引出線 | 轉子慣量 | 重量 | 機身長度 | |
單軸 |
| A | Ω | mH | kg-cm |
| g-cm2 | Kg | L(mm) | |
YSD31112-KA3 | 4.3 | 1.2 | 4.4 | 80 | 3 | 6000 | 5 | 124 | ||
YSD31115-KA3 | 6 | 0.6 | 2.7 | 120 | 3 | 9720 | 6.6 | 148 | ||
YSD31118-KA3 | 6.4 | 0.62 | 2.9 | 160 | 3 | 13560 | 9 | 182 | ||
YSD31121-KA3 | 6.9 | 0.57 | 2.4 | 200 | 3 | 17400 | 11.1 | 215 | ||
※ 其他特殊規格請與英士達機電或代理商洽談。
| 定制出軸方式 |
|
|
|
| |||
圓軸 | 單扁絲 | 雙扁絲 | 鍵槽 | |||
|
|
|
| |||
滾花 | 滾齒 | 通孔 | 空心軸 | |||
|
|
| ||||
螺紋軸 | 齒輪 | 同步帶輪 |
| 技術參數 |
項目 | 技術參數 |
步距角 | 1.8゜ |
步距角精度 | ±5%(整步,空載) |
電阻精度 | ±10% |
電感精度 | ±20% |
溫升 | 80℃ Max (額定電流,二相通電) |
環境溫度 | -20℃~+50℃ |
絕緣電阻 | 100MΩ Min500VDC |
耐壓 | 500V AC 一分鐘 |
徑向間隙 | 0.02Max (450g 負載) |
軸向間隙 | 0.08Max (450g 負載) |
徑向最大負載 | 220N (距法蘭面20mm) |
軸向最大負載 | 60N |
| 應用領域 |
木工雕刻機、鐳射雕刻機、打標機、貼標機、固晶機、焊線機、UV印表機、3D印表機、噴繪機、繪圖器、繡花機、點膠機、灌膠機、焊錫機、BGA返修台、貼合機、貼片機、熱壓機、背光源貼膜機、塗裝機、往復機、端子機、剝線機、繞線機、錫膏印刷機、PCB鑽孔機、V-CUT機、打靶機、FPC補強機、塗布機、疊片機、IC分選機、IC燒錄機、編帶機、醫療設備、非標設備、XYZ測量儀、連接器組裝機、SMT周邊設備等














