产品中心-Banner1
YSD286-RA8(背面)
YSD286-RA8(背面)
□85mm 系列 步進馬達

●  法蘭尺寸(□):85mm

●  步距角:1.8゜

●  電流 /相:4A~6A

●  靜力距:34~120kg-cm

●  引出線:8線

●  機身長度:65mm~156mm

圖紙下載:
  • 產品詳情
  • 相關產品
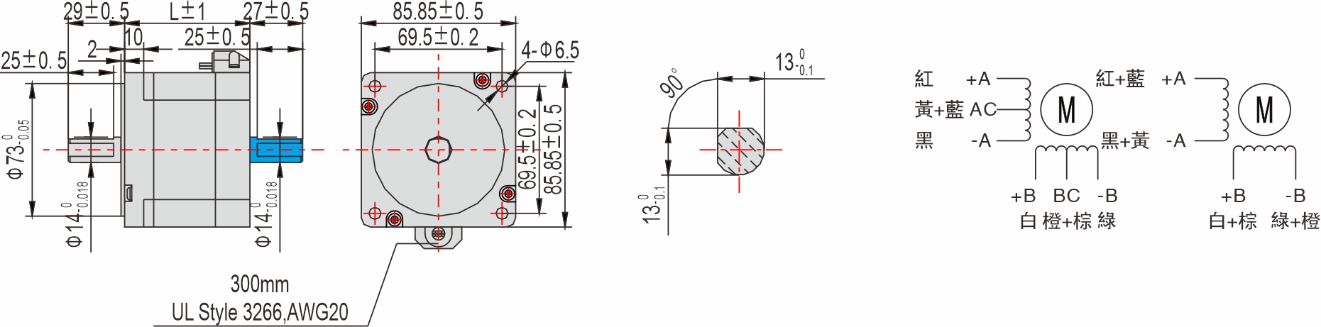
外形圖


英士達機電 85mm步進馬達

※ 此外形圖為雙轉軸產品,單轉軸產品則無              部分的轉軸;

※ 我們可以根據您的需求制定步進馬達的電氣參數,也可以增配偏心齒輪減速箱或行星減速箱、斷電煞車、編碼器等;

※ 步進馬達安裝時務必用馬達前端蓋安裝止口定位,並注意公差配合,嚴格保證步進馬達輸出軸與負載的同心度。

85mm 系列


型號

外形尺寸

重量(kg)

L(mm)

YSD286-XXX

65

1.7

YSD288-XXX

80

2.3

YSD2812-XXX

118

3.8

YSD2816-XXX

156

5.4


技術參數


步進馬達

型號

驅動器

型號

電流

/相

電阻

/相

電感

/相

靜力矩

引出線

轉子慣量

重量

機身長度

單軸

雙軸

 

A

Ω

mH

kg-cm

 

g-cm2

Kg

L(mm)

YSD286-RA8

YSD286-RB8

SEA2M68
SEA2M69M
SEA2M810M

4

1.4

3.9

34

8

1000

1.7

65

YSD288-RA8

YSD288-RB8

4

0.75

3.4

45

8

1400

2.3

80

YSD2812-RA8

YSD2812-RB8

6

0.9

6

85

8

2700

3.8

118

YSD2816-RA8

YSD2816-RB8

6

1.25

8

120

8

4000

5.4

156

※ 其他特殊規格請與英士達機電或代理商洽談。


矩頻曲線圖(雙極線圈)


※ 矩頻曲線圖是基於本公司測量條件的資料,條件發生變化時,矩頻曲線圖可能會發生變化。

※ 因驅動器條件的不同,步進馬達可能會出現明顯發熱的情形,請在步進馬達外殼溫度100℃以下時使用。

※ 請將驅動器的設定電流設置于步進馬達額定電流以下。


英士達機電 YSD286-RA8矩頻曲線圖



英士達機電 YSD286-RB8矩頻曲線圖


英士達機電 YSD288-RA8矩頻曲線圖



英士達機電 YSD288-RB8矩頻曲線圖


英士達機電 YSD2812-RA8矩頻曲線圖



英士達機電 YSD2812-RB8矩頻曲線圖


英士達機電 YSD2816-RA8矩頻曲線圖



英士達機電 YSD2816-RB8矩頻曲線圖


選購配件


馬達動力線:

型號

長度L(m)

導體(m㎡)

SEB-PC050-01E

1

0.5

SEB-PC050-02E

2

SEB-PC050-03E

3

SEB-PC050-04E

4

SEB-PC050-05E

5

SEB-PC050-07E

7

……

……

SEB-PC050-10E

10

※ 用於步進馬達與驅動器之間連接時使用的已壓連接器的1000萬次超高柔拖鏈電纜線。

    步進馬達與驅動器間的配線距離,請控制在10m以下。


馬達煞車線:

型號

長度L(m)

導體(m㎡)

SEB-BC050-01E

1

0.5

SEB-BC050-02E

2

SEB-BC050-03E

3

SEB-BC050-04E

4

SEB-BC050-05E

5

SEB-BC050-07E

7

……

……

SEB-BC050-10E

10

※ 用於步進馬達與驅動器之間連接時使用的已壓連接器的1000萬次超高柔拖鏈電纜線。

    步進馬達與驅動器間的配線距離,請控制在10m以下。


電纜線注意事項


電纜線注意事項


電纜線注意事項—1


電纜線注意事項—2

插拔連接器時,請務必握住連接器進行操作。

如果拉住電纜線進行操作,可能會導致接觸不良。


請勿彎曲連接器部分的電纜線,如果連接部或端子施加應力,可能會導致接觸不良或斷線。

請固定紅色兩處連接器部分,以防止連接器部晃動,導致端子損壞或接觸不良。

電纜線注意事項—3


電纜線注意事項—4

插入連接器時:

請握住連接器本體,筆直插入。

如果傾斜插入,可能導致端子損壞或接觸不良。


拔出連接器時:

請先解除連接器的卡扣,然後筆直拔出。

如果握住電纜線拔出,可能導致連接器損壞。


請使用適當的長度進行配線,以免電纜線移動時也不會被拉扯。此外,請確保彎曲半徑R在電纜線直徑6被以上。


定制出軸方式



英士達機電 圓軸 定制出軸方式



英士達機電 單扁絲 定制出軸方式



英士達機電 雙扁絲 定制出軸方式



英士達機電 鍵槽 定制出軸方式

圓軸


單扁絲


雙扁絲


鍵槽


英士達機電 滾花 定制出軸方式



英士達機電 滾齒 定制出軸方式



英士達機電 通孔 定制出軸方式



英士達機電 空心軸 定制出軸方式

滾花


滾齒


通孔


空心軸


英士達機電 螺紋軸 定制出軸方式



英士達機電 齒輪 定制出軸方式



英士達機電 同步輪 定制出軸方式



螺紋軸


齒輪


同步帶輪




技術參數


項目

技術參數

步距角

1.8゜

步距角精度

±5%(整步,空載)

電阻精度

±10%

電感精度

±20%

溫升

80℃ Max (額定電流,二相通電)

環境溫度

-20℃~+50℃

絕緣電阻

100MΩ  Min500VDC

耐壓

500V AC 一分鐘

徑向間隙

0.02Max (450g 負載)

軸向間隙

0.08Max (450g 負載)

徑向最大負載

220N (距法蘭面20mm)

軸向最大負載

60N


應用領域

木工雕刻機、鐳射雕刻機、打標機、貼標機、固晶機、焊線機、UV印表機、3D印表機、噴繪機、繪圖器、繡花機、點膠機、灌膠機、焊錫機、BGA返修台、貼合機、貼片機、熱壓機、背光源貼膜機、塗裝機、往復機、端子機、剝線機、繞線機、錫膏印刷機、PCB鑽孔機、V-CUT機、打靶機、FPC補強機、塗布機、疊片機、IC分選機、IC燒錄機、編帶機、醫療設備、非標設備、XYZ測量儀、連接器組裝機、SMT周邊設備等

  • SEA2M68 步進驅動器
    • 說明
    • 技術數據
    → 供電電壓:
    24VDC~80VDC
    → 輸出電流:
    2.8A~6.5A
    → 驅動器馬達尺寸:
    28mm~85mm
    → NEMA:
    11~34
    → 步進馬達引出線:
    4、8線
  • SEA2M69M 步進驅動器
    • 說明
    • 技術數據
    → 供電電壓:
    16VAC~90VAC
    → 輸出電流:
    2.8A~6.5A
    → 驅動器馬達尺寸:
    28mm~85mm
    → NEMA:
    11~34
    → 步進馬達引出線:
    4、8線
  • SEA2D68 步進驅動器
    • 說明
    • 技術數據
    → 供電電壓:
    24VDC~80VDC
    → 輸出電流:
    0.2A~6A
    → 驅動器馬達尺寸:
    56mm~85mm
    → NEMA:
    23~34
    → 步進馬達引出線:
    6、8線
Copyright 2009 - 2025 Instar Electromechanical 保留所有版權。