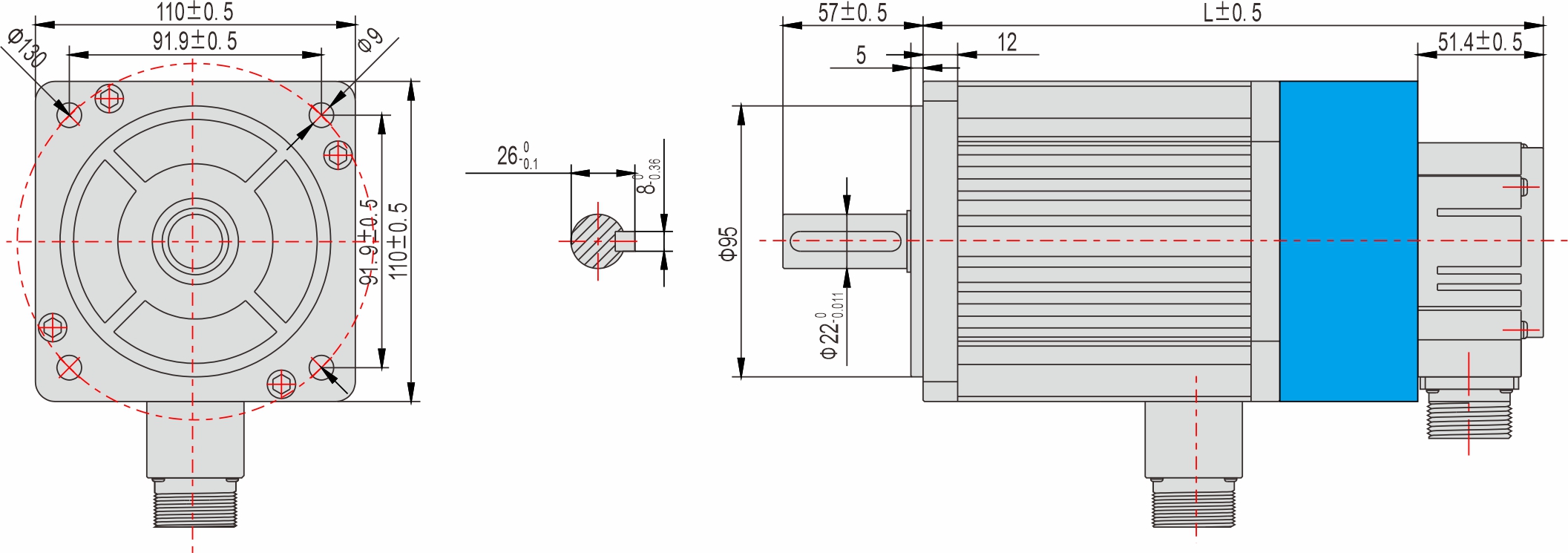
| 外形圖(帶斷電煞車) |

※ 部分為斷電煞車;
※ 我們可以根據您的需求定制伺服馬達的電氣參數,也可以增配行星減速機等;
※ 伺服馬達安裝時務必用伺服馬達前端蓋安裝止口定位,並注意公差配合,嚴格保證伺服馬達輸出軸與負載的同心度。
| 110mm 系列(帶斷電煞車) |
型號 | 外形尺寸 | 重量(kg) |
L(mm) | ||
YSD11060ASK-S | 215 | 6.5 |
YSD11080DSK-S | 245 | 8 |
YSD11120ASK-S | 245 | 8 |
YSD11150ASK-S | 260 | 8.9 |
YSD11180ASK-S | 275 | 9.9 |
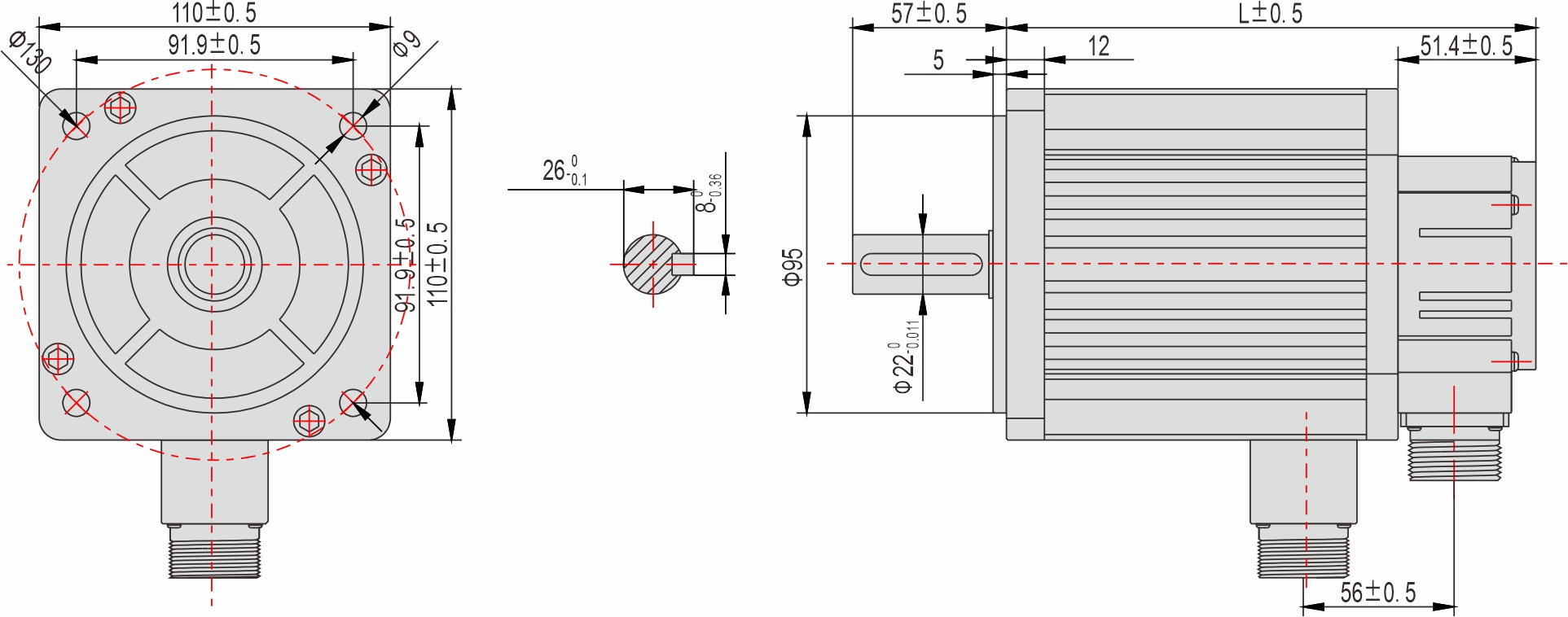
| 外形圖 |

※ 我們可以根據您的需求定制伺服馬達的電氣參數,也可以增配行星減速機等;
※ 伺服馬達安裝時務必用伺服馬達前端蓋安裝止口定位,並注意公差配合,嚴格保證伺服馬達輸出軸與負載的同心度。
| 110mm 系列 |
型號 | 外形尺寸 | 重量(kg) |
L(mm) | ||
YSD11060ASK | 159 | 4.5 |
YSD11080DSK | 189 | 6 |
YSD11120ASK | 189 | 6 |
YSD11150ASK | 204 | 6.9 |
YSD11180ASK | 219 | 7.9 |
| 技術參數 |
伺服馬達型號 | YSD11060ASK | YSD11080DSK | YSD11120ASK | YSD11150ASK | YSD11800ASK | |
伺服馬達型號(帶斷電煞車) | YSD11060ASK-S | YSD11080DSK-S | YSD11120ASK-S | YSD11150ASK-S | YSD11800ASK-S | |
伺服驅動器型號 | SDA076-MF30-060 | SDA076-MF30-080 | SDA076-MF30-120 | SDA076-MF30-150 | SDA100-MF30-180 | |
法蘭規格(□) | □110 | □110 | □110 | □110 | □110 | |
額定功率 | W | 600 | 800 | 1200 | 1500 | 1800 |
額定扭矩 | N.m | 2 | 4 | 4 | 5 | 6 |
kgf.cm | 20.41 | 40.82 | 40.82 | 51.02 | 61.22 | |
最大扭矩 | N.m | 6 | 12 | 12 | 15 | 18 |
kgf.cm | 61.22 | 122.45 | 122.45 | 153.06 | 183.67 | |
額定轉數 | r/min | 3000 | 2000 | 3000 | 3000 | 3000 |
轉子慣量 | kg.m2X10-4 | 3.1 | 5.4 | 5.4 | 6.3 | 7.6 |
轉矩常數 | N.m/A | 0.8 | 1.14 | 0.8 | 0.83 | 1 |
電壓常數 | V/krpm | 55 | 78 | 55 | 63 | 61 |
電阻 | Ω | 3.61 | 2.42 | 1.08 | 1.02 | 0.82 |
電感 | mH | 8.33 | 7.4 | 3.4 | 3.44 | 2.28 |
電器時間常數 | ms | 2.3 | 3.06 | 3.14 | 3.37 | 3.15 |
規格與特徵 | 結構 | 全封閉,無通風 IP65(不包括軸部分和連接處) | ||||
環境溫度 | 工作溫度:0~40℃,存儲溫度:-20~80℃ | |||||
環境濕度 | 低於90%(無凝露) | |||||
空氣 | 避免陽光直射,避免腐蝕氣體、易燃氣體、油污或灰塵 | |||||
重量 | kg | 4.5 | 6 | 6 | 6.9 | 7.9 |
重量(帶斷電煞車) | kg | 6.5 | 8 | 8 | 8.9 | 9.9 |
※ 其他特殊規格請與英士達機電或代理商洽談。



