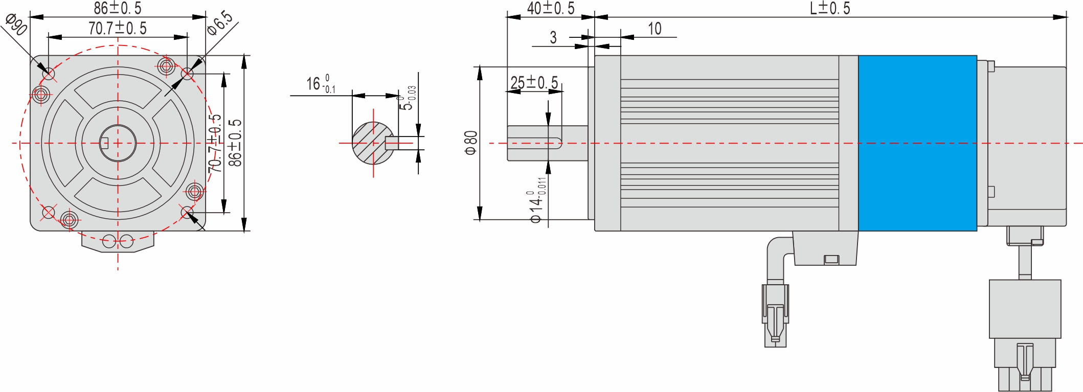
| 外形圖(帶斷電煞車) |

※ 部分為斷電煞車;
※ 我們可以根據您的需求定制伺服馬達的電氣參數,也可以增配行星減速機等;
※ 伺服馬達安裝時務必用伺服馬達前端蓋安裝止口定位,並注意公差配合,嚴格保證伺服馬達輸出軸與負載的同心度。
| 86mm 系列(帶斷電煞車) |
型號 | 外形尺寸 | 重量(kg) |
L(mm) | ||
YSD09075ASK-S | 207 | 4 |
YSD09100ASK-S | 239 | 5.1 |
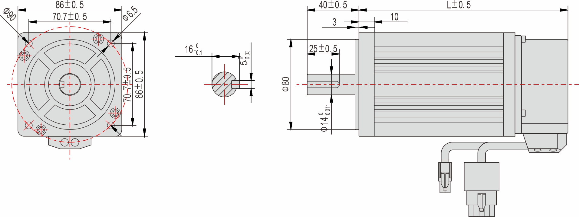
| 外形圖 |

※ 我們可以根據您的需求定制伺服馬達的電氣參數,也可以增配行星減速機等;
※ 伺服馬達安裝時務必用伺服馬達前端蓋安裝止口定位,並注意公差配合,嚴格保證伺服馬達輸出軸與負載的同心度。
| 86mm 系列 |
型號 | 外形尺寸 | 重量(kg) |
L(mm) | ||
YSD09075ASK | 150 | 3.2 |
YSD09100MSK | 182 | 4.3 |
| 技術參數 |
伺服馬達型號 | YSD09075ASK | YSD09100MSK | ||||
伺服馬達型號(帶斷電煞車) | YSD09075ASK-S | YSD09100MSK-S | ||||
伺服驅動器型號 | SDA055-MF20-075 | SDA055-MF20-100 | ||||
法蘭規格(□) | □86 | □86 | ||||
額定功率 | W | 750 | 1000 | |||
額定扭矩 | N.m | 2.4 | 4 | |||
kgf.cm | 24.49 | 40.82 | ||||
最大扭矩 | N.m | 7.1 | 12 | |||
kgf.cm | 72.49 | 122.44 | ||||
額定轉數 | r/min | 3000 | 2500 | |||
轉子慣量 | kg.m2X10-4 | 2.45 | 3.7 | |||
轉矩常數 | N.m/A | 0.8 | 1 | |||
電壓常數 | V/krpm | 50 | 61 | |||
電阻 | Ω | 3.1 | 2.68 | |||
電感 | mH | 7.1 | 6.23 | |||
電器時間常數 | ms | 2.29 | 2.32 | |||
規格與特徵 | 結構 | 全封閉,無通風 IP65(不包括軸部分和連接處) | ||||
環境溫度 | 工作溫度:0~40℃,存儲溫度:-20~80℃ | |||||
環境濕度 | 低於90%(無凝露) | |||||
空氣 | 避免陽光直射,避免腐蝕氣體、易燃氣體、油污或灰塵 | |||||
重量 | kg | 3.2 | 4.3 | |||
重量(帶斷電煞車) | kg | 4 | 5.1 | |||
※ 其他特殊規格請與英士達機電或代理商洽談。
| 選購配件 |
馬達動力線:
型號 | 長度L(m) | 導體(m㎡) |
SDA-PC050-01E | 1 | 0.5 |
SDA-PC050-02E | 2 | |
SDA-PC050-03E | 3 | |
SDA-PC050-04E | 4 | |
SDA-PC050-05E | 5 | |
SDA-PC050-07E | 7 | |
…… | …… | |
SDA-PC050-10E | 10 |
※ 用於伺服馬達與驅動器之間連接時使用的已壓連接器的1000萬次超高柔拖鏈電纜線。
伺服馬達與驅動器間的配線距離,請控制在10m以下。
馬達編碼器線:
型號 | 長度L(m) | 導體(m㎡) |
SDA-EC020-01E | 1 | 0.2 |
SDA-EC020-02E | 2 | |
SDA-EC020-03E | 3 | |
SDA-EC020-04E | 4 | |
SDA-ED020-05E | 5 | |
SDA-EC020-07E | 7 | |
…… | …… | |
SDA-EC020-10E | 10 |
※ 用於伺服馬達與驅動器之間連接時使用的已壓連接器的1000萬次超高柔拖鏈電纜線。
伺服馬達與驅動器間的配線距離,請控制在10m以下。
馬達煞車線:
型號 | 長度L(m) | 導體(m㎡) |
SDA-BC050-01E | 1 | 0.5 |
SDA-BC050-02E | 2 | |
SDA-BC050-03E | 3 | |
SDA-BC050-04E | 4 | |
SDA-BC050-05E | 5 | |
SDA-BC050-07E | 7 | |
…… | …… | |
SDA-BC050-10E | 10 |
※ 用於伺服馬達與驅動器之間連接時使用的已壓連接器的1000萬次超高柔拖鏈電纜線。
伺服馬達與驅動器間的配線距離,請控制在10m以下。
| 電纜線注意事項 |

|
| |
插拔連接器時,請務必握住連接器進行操作。 如果拉住電纜線進行操作,可能會導致接觸不良。 | 請勿彎曲連接器部分的電纜線,如果連接部或端子施加應力,可能會導致接觸不良或斷線。 請固定紅色兩處連接器部分,以防止連接器部晃動,導致端子損壞或接觸不良。 | |
|
| |
插入連接器時: 請握住連接器本體,筆直插入。 如果傾斜插入,可能導致端子損壞或接觸不良。 拔出連接器時: 請先解除連接器的卡扣,然後筆直拔出。 如果握住電纜線拔出,可能導致連接器損壞。 | 請使用適當的長度進行配線,以免電纜線移動時也不會被拉扯。此外,請確保彎曲半徑R在電纜線直徑6被以上。 |






